产品详细:
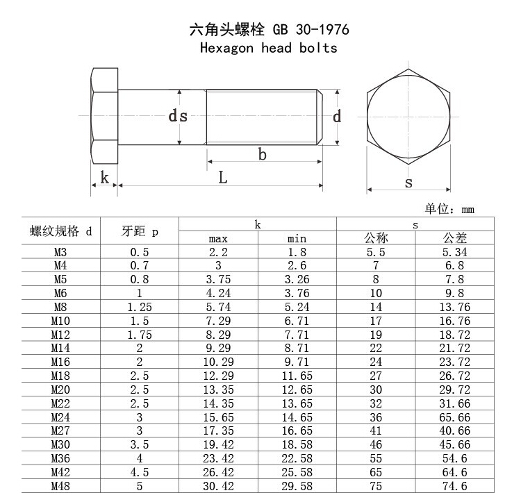
外六角螺栓、外六角螺丝、304不锈钢螺丝【螺纹】:半牙、全牙、公制、英制、美制【材料】:不锈钢304【标准】:GB30-1976【规格】:各式规格,请咨询客服【表面处理】:洗光【包装】:胶袋、纸盒、纸箱、托盘【非标订制 】如果您需要对螺丝的部位尺寸做修改,或者其他特殊要求,可以提供产品的图纸,我们可以按图加工。符合环保,通过欧盟RoHS环保监测。用心做好每一颗螺丝,红桃影院始终关注客户未来!产品曾被以下行业选用,并获得客户好评:风力发电、火电工程、核电设备、水利工程、铁路工程、公路桥梁、幕墙工程、机械设备、游艺设备、船舶设施、化工机械、电子电器、通讯钣金、纺织机床、管道阀门、压力容器、通讯设备、LED灯饰、医疗设备、精密工业、电镀化工、办公家具、装饰工程、厂房建设、矿产能源、汽车传动等行业。不锈钢螺丝广泛被风力发电行业采用。 温馨提示:如果您喜欢我们的图片与文字,转载请注明信纯出处m 红桃影院最新地址,hnsmf,com。。
