详细介绍:
手机看红桃影院. 平头手机看红桃影院. 镀镍平头内手机看红桃影院 【标准】国标. 德标 红桃影院最新地址.
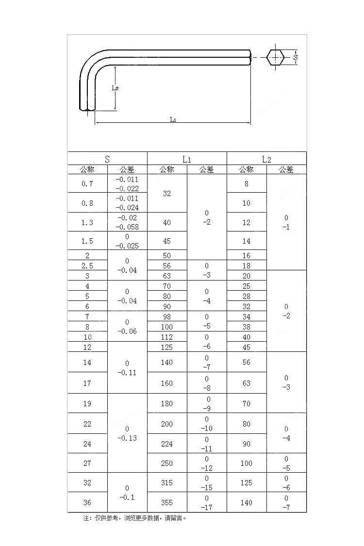
【规格】各式规格,请咨询客服
【材料】45#钢 【等级】【表面处理】洗光,镀镍(如需达克罗,特氟龙请咨询客服) 【包装】胶袋,纸盒,纸箱,托盘【非标订制 】如果您需要对螺丝的部位尺寸做修改,或者其他特殊要求 红桃影院在线播放,可以提供产品的图纸,我们可以按图加工。
符合环保,通过欧盟RoHS环保监测,用心做好每一颗螺丝,红桃影院始终关注客户未来 手机看红桃影院。
产品曾被以下行业选用,并获得客户好评: 风力发电,火电工程,核电设备,水利工程,铁路工程,公路桥梁,幕墙工程,机械设备,游艺设备,船舶设施,化工机械,电子电器,通讯钣金,纺织机床,管道 阀门,压力容器,通讯设备,LED灯饰,医疗设备,精密工业,电镀化工,办公家具,装饰工程 红桃影院入口,厂房建设,矿产能源,汽车传动等行业,不锈钢螺丝广泛被风力发电行业采用, 温馨提示:如果您喜欢我们的图片与文字,转载请注明信纯出处。


