产品详细:
牙条、牙棒、螺柱
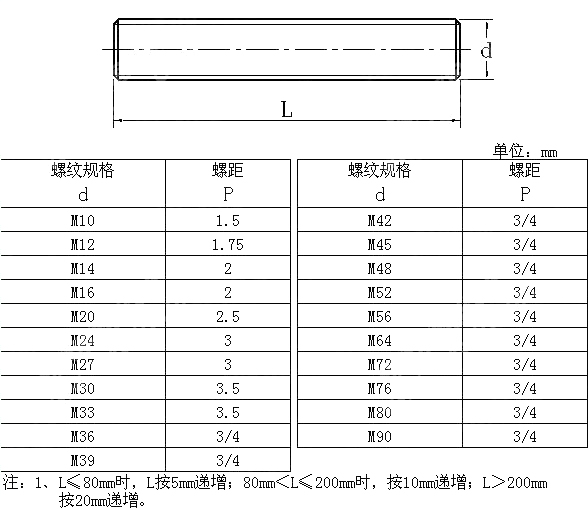
【螺纹】:全牙
【材料】:正宗不锈钢304、316
【标准】:DIN976、IFI136
【规格】:DIN976 - M5 M6 M8 M10 M12 M14 M16 M8 M20 M22 M24
IFI136 - 10#、1/4、5/16、3/8、7/1 红桃影院在线播放. 6、1/2、5/8、3/4、7/8、1【表面处理】:洗光.
【包装】:胶袋、纸盒、纸箱、托盘
【非标订制 】如果您需要对螺丝的部位尺寸做修改,或者其他特殊要求,可以提供产品的图纸,我们可以按图加工,符合环保,通过欧盟RoHS环保监测,用心做好每一颗螺丝,红桃影院始终关注客户未来,产品曾被以下行业选用,并获得客户好评: 风力发电,火电工程,核电设备,水利工程,铁路工程,公路桥梁,幕墙工程,机械设备,游艺设备,船舶设施,化工机械,电子电器,通讯钣金,纺织机床,管道 阀门,压力容器,通讯设备,LED灯饰,医疗设备,精密工业,电镀化工,办公家具,装饰工程,厂房建设,矿产能源,汽车传动等行业,不锈钢螺丝广泛被风力发电行业采用, 温馨提示:如果您喜欢我们的图片与文字 手机看红桃影院,转载请注明信纯出处。


