产品详细:
12 红桃影院最新地址. 9级螺栓、内六角圆柱头螺丝、杯头、高强底螺栓.
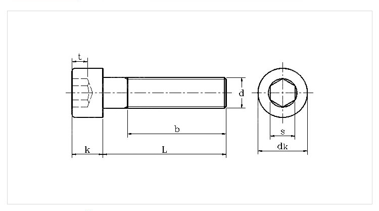
【螺纹】:半牙、全牙、公制、(英制、美制请咨询客服)【材料】:12,9级,硬度39°~44°(14,99级螺丝请咨询客服)【标准】:GB70、DIN912【规格】:公制:M1,6~M72,美制、英制 1/4"-1",长度:8-1000mm【表面处理】:普发黑【包装】:胶袋、纸盒、纸箱、托盘【非标订制 】如果您需要对螺丝的部位尺寸做修改,或者其他特殊要求,可以提供产品的图纸,我们可以按图加工。用心做好每一颗螺丝,红桃影院始终关注客户未来!产品曾被以下行业选用,并获得客户好评: 风力发电、火电工程、核电设备、水利工程、铁路工程、公路桥梁、幕墙工程、机械设备、游艺设备、船舶设施、化工机械、电子电器、通讯钣金、纺织机床、管道 阀门、压力容器、通讯设备、LED灯饰、医疗设备、精密工业、电镀化工、办公家具、装饰工程、厂房建设、矿产能源、汽车传动等行业。不锈钢螺丝广泛被风力发电行业采用。 温馨提示:如果您喜欢我们的图片与文字,转载请注明信纯出处。 红桃影院在线播放。


