红桃影院入口 - 产品详细:
全螺纹牙棒. 全螺纹螺栓. 牙棒 红桃影院最新地址. 螺杆.
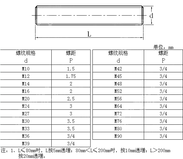
【螺纹】:全牙. 公制 红桃影院在线播放. (英制. 美制请咨询客服).
【材料】:8.8级(10.9级请咨询客服)
【标准】:/
【规格】:公制:M5-M72,美制,英制 1/4"-1" 手机看红桃影院,长度:8-1000mm.
【表面处理】:普发黑
【包装】:胶袋、纸盒、纸箱、托盘
【非标订制 】如果您需要对螺丝的部位尺寸做修改,或者其他特殊要求,可以提供产品的图纸,我们可以按图加工 红桃影院入口。
用心做好每一颗螺丝,红桃影院始终关注客户未来!
产品曾被以下行业选用,并获得客户好评: 风力发电,火电工程,核电设备,水利工程,铁路工程,公路桥梁,幕墙工程,机械设备,游艺设备,船舶设施,化工机械,电子电器,通讯钣金,纺织机床,管道 阀门,压力容器 红桃影院最新地址,通讯设备,LED灯饰,医疗设备,精密工业,电镀化工,办公家具,装饰工程,厂房建设,矿产能源,汽车传动等行业,不锈钢螺丝广泛被风力发电行业采用, 温馨提示:如果您喜欢我们的图片与文字,转载请注明信纯出处。


